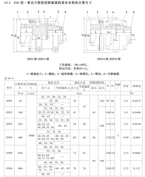
JSD型單法蘭聯接型聯軸器
產品分類: 蛇形彈簧聯軸器
蛇形彈簧聯軸器其主要結構是由兩個半聯軸節,兩個半外罩,兩個密封圈及蛇形彈簧片組成。它是靠蛇簧嵌入兩半聯軸節的齒槽內來傳遞扭矩,聯軸器以蛇形彈簧片嵌入兩個半聯軸節的齒槽
訂購熱線:15326245655
立即咨詢產品詳情

JSD型單法蘭聯接型聯軸器
推薦產品
-
YLD型凸緣聯軸器
凸緣聯軸器(亦稱法蘭聯軸器)是利用螺栓聯接兩凸緣(法蘭) -
GL型滾子鏈聯軸器
曲面齒鏈輪聯軸器,鏈條聯軸器,GL型滾子鏈聯軸器,GL型滾子鏈連軸 -
LM(ML)系列梅花形彈性聯軸器
梅花形彈性聯軸器具有以下特點:花形彈性聯軸器結構簡單,徑向 -
GⅡCL型—鼓形齒式聯軸器
鼓形齒式聯軸器具有徑向、軸向和角向等軸線偏差補償能力,具


![[field:text/]](/uploads/allimg/131107/2-13110FU4120-L.jpg)